Schémata jsou zjednodušené obrázky zapojení součástek v elektronických obvodech.
Používají k tomu symboly, zvané "schematické značky", které jsme poznali už
v předchozích částech.
Schémata slouží k tomu, aby si elektronici na celém světě uměli předávat
zapojení obvodů a bez velkého učení jim rozuměli.
Takhle například vypadá schéma zapojení jednoduchého tranzistorového blikače,
který si snadno sami postavíte.
Stejně snadno, jako vy, si podle vašeho schématu postaví blikač váš kamarád
v Krkonoších nebo v New Yorku či v Petrohradě, v Londýně
nebo Pekingu. Najdou se sice drobné rozdíly v některých schematických značkách,
ale ty jsou celkem nevýznamné...
Když budeme kreslit schéma zapojení, je dobré dodržovat některé základní zásady:
- jako spojovací vodiče používáme nepřerušovanou čáru, kterou vedeme vodorovně
nebo svisle; výjimečně ji vedeme pod úhlem 45° nebo jinak
- spojovací čáry se nám mohou libovolně křížit; křížící se vodiče přitom nejsou
vzájemně propojeny
- pokud chceme vytvořit spoj mezi vodičí, znázorníme to na křížení čar dobře
viditelným spojovacím bodem (uzlem)
- schematické značky součástek kreslíme do schématu tak, aby jejich hlavní linie
byly vedeny vodorovně nebo svisle
- schematické značky součástek můžeme libovolně otáček nebo zrcadlově převracet;
význam značek ani propjení jejich vývodů se tím nemění
- vodiče, kterými je přiváděno napájecí napětí, se snažíme vést po horním
a dolním okraji schématu; usnadní to jeho "čtení" - není to však podmínkou
- součástky ve schématu se snažíme rozložit logicky podle toho, jak
na sebe navazují svou funkcí
- pro společné napájení můžeme použít označení "přívod napájecího
napětí" čili stručně "napájení" (např. +V, +5, +12 atd.);
kreslíme ho v horní části schématu
- podobně pro společný záporný přívod napájení (a obvykle i vstupních signálů) často
užíváme schematickou značku "společný přívod" nebo zjednodušeně "zem"; obvykle ho
kreslíme ve spodní části schématu - prostě u země...
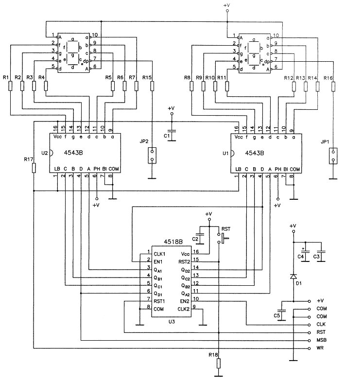
A tady máte už poměrně složité schéma zapojení - to už je pro skupinu
pokročilých...
Schéma zapojení dvoumístného čítače
Pro značení součástek i pro popis vývodů ve schématu používáme
často zkratek anglických slov - angličtina je přece jen mezinárodní
jazyk...
Schéma zapojení se dá nakreslit stovkami způsobů a záleží na vás,
jak vhodné uspořádání zvolíte. Sami uvidíte, že to chce jistou zkušenost
(ostatně jako vše), kterou získáte jen tím, že budete kreslit
schémata a mezitím je gumovat a stále vylepšovat.
Nakonec dojdete k tomu, že vaše schéma bude mít to, čemu se říká
"štábní kultura"; tento výraz bych zkusil vyložit jako "profesionální provedení,
elegance a přehlednost".
A protože je schéma zapojení pro elektronika důležité asi jako lidská kostra
pro lidské tělo, přeji vám, ať se vám kreslení schémat daří...